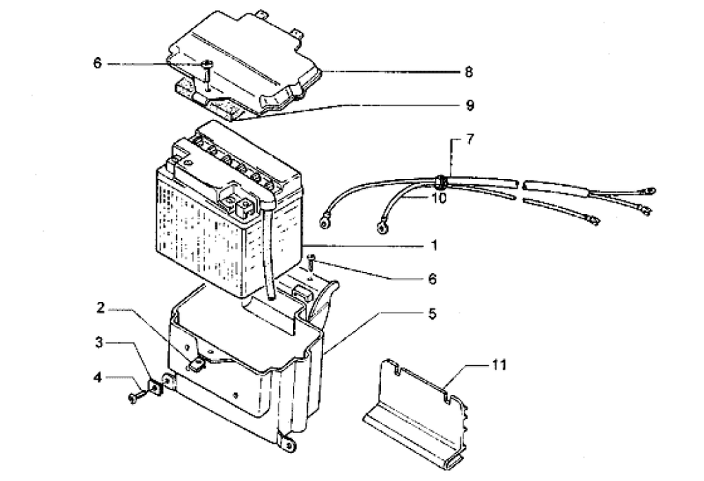
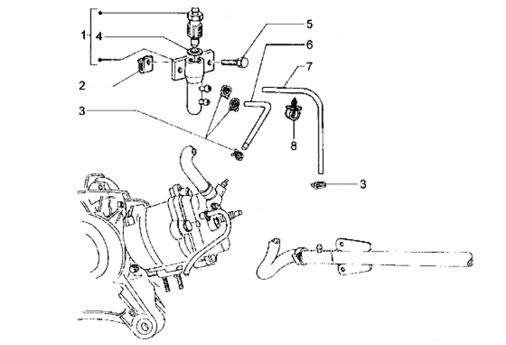
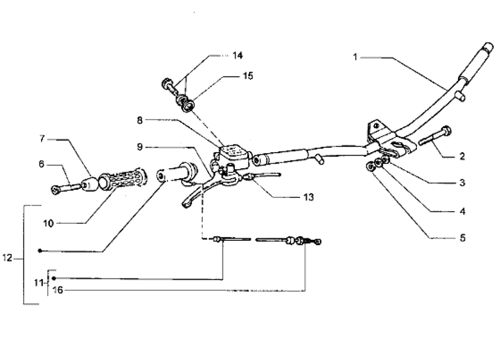
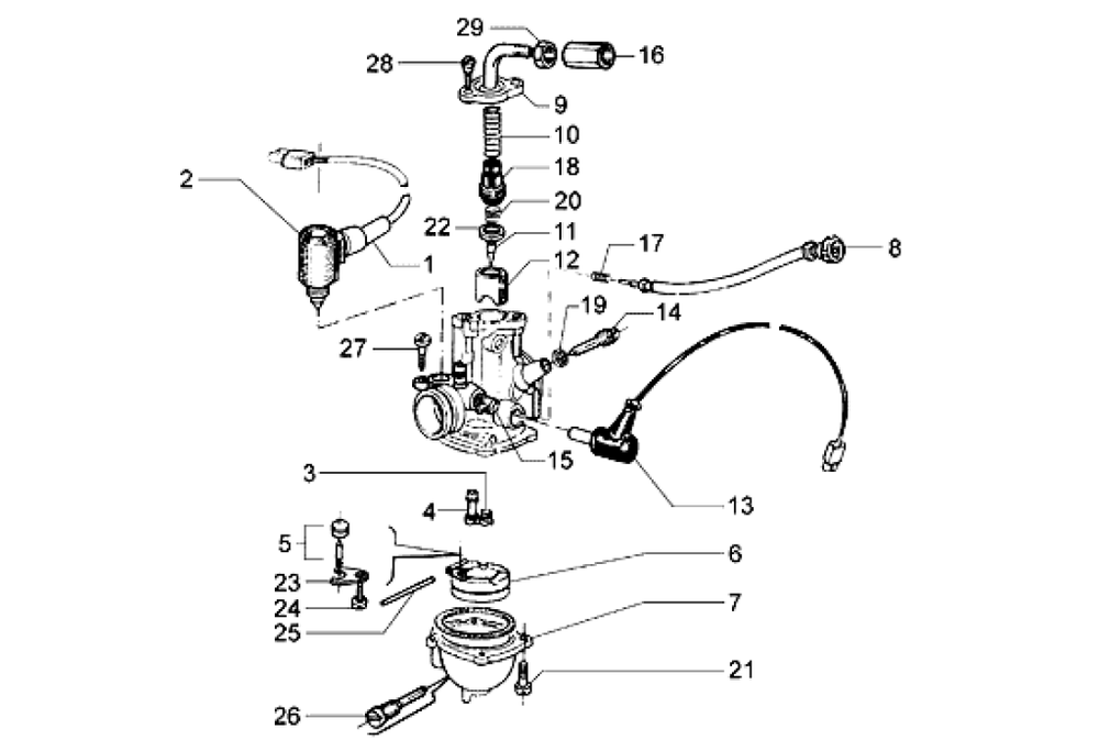
Technische tekeningen voor Piaggio Hexagon 180 LXT 2T E1 1999-2000 (EMEA)
Kies technische tekening
Klik hieronder op de tekening waarop het onderdeel staat dat je zoekt voor jouw Piaggio Hexagon 180 LXT 2T E1 1999-2000 (EMEA).


Meest verkochte onderdelen voor Piaggio
Click below to go directly to the best-selling parts.