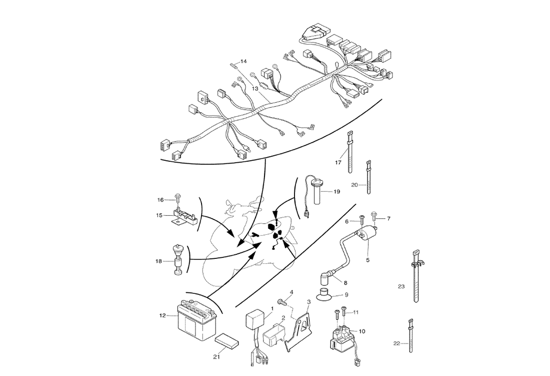
Yamaha Aerox 100 2T – Bobine Cdi Unit Accu
Er zijn nog geen producten gekoppeld aan deze tekening.
Andere tekeningen voor Yamaha Aerox 100 2T
Achterlicht
Achterwiel
Benzinetank
Bobine Cdi Unit Accu
Buddyseat Helmbak
Carburateur Automatische Start
Carter
Cilinder
Frame
Hoofdremcilinder Voor
Kilometerteller
Knipperlicht
Koelkap
Koppeling
Krukas Zuiger
Middenstandaard Treeplank
Oliepomp
Olietank
Ontsteking
Regelaar Claxon Contactslot
Remklauw Voor
Schakeleenheid
Schokbreker Achter
Startsysteem
Stuur Gaskabel
Stuurkap
Toevoer Luchtfilter
Transmissie
Uitlaat
Voorscherm Binnenbekleding Onderschermbeplating
Voorwiel
Vork
×